2700
2021-12-17
颗粒在线讯:科学界和工业界的研究人员和工程师们普遍认为,具有原子尺度孔道的二维晶体将成为下一代分离技术的热门候选,有望实现高通量和极限选择性的有效结合。然而,对于原子尺度孔道的分子传输特性研究大多停留在理论层面,鲜有实验研究文献报道。
近日,来自英国曼彻斯特大学的Andre K. Geim教授和Pengzhan Sun博士等人组成的研究团队在Nature Communications(https://www.nature.com/articles/s41467-021-27347-9)上发文报道(图1)[1],利用低能低剂量电子束照射,可在微米尺寸悬空石墨烯薄膜中精确引入单个原子孔。所得原子孔的尺寸低至2埃左右,甚至比He、H2等最小的气体分子还要小。通过精细测量不同气体的传输过程发现,H2、He等小分子气体可以轻松穿越所得原子孔,而CH4、Xe等大分子气体的输运则被完全阻断。气体分子在穿越原子孔的过程中需克服一定能量势垒,该能垒与气体分子动力学直径的平方成正比。


图1. 在悬浮石墨烯中产生缺陷。
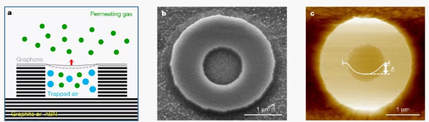
以上实验结果的成功观测源于两点原因:1)气体传输测量所用器件为高质量机械剥离石墨烯薄膜密封微米尺寸单晶石墨腔体(图2)[2],该器件具有极高探测精度,可实现对流速低至每小时若干气体分子的极弱传输过程的有效测量;2)该研究团队通过精确控制电子束的加速电压(<10 kV)和逐步照射剂量(每步低至1个电子/100nm2),在微米尺寸石墨烯薄膜中引入单个原子孔,从而有效避免引入任何其他大尺寸孔道副产物,进而呈现单个原子孔的真实分子输运特性。


图2. 石墨烯对氦的不渗透性。
通过对所得气体输运结果进行仔细定量分析,该研究团队发现,原子尺度孔道的分子输运机制主要涉及表面吸附和扩散,该表面过程的引入对实现高选择性所需孔道尺寸产生极大限制。研究人员指出,为使二维薄膜付诸实际分离应用,有必要探寻具有较大尺寸本征晶格孔的二维材料,该类材料在自然界中广泛存在,例如石墨炔。该研究团队接下来计划探索具有类似尺寸晶格孔道的最优二维材料,用以实现未来高效气体分离技术的开发。综上所述,该研究工作为原子尺度强限域下的选择性分子传输提供基础参考,并提出了埃尺度多孔二维薄膜所能达到的最优性能极限。
参考文献
1. P. Z. Sun, et al. Exponentially selective molecular sieving through angstrom pores. Nature Communications, 2021, 12, 7170.
https://doi.org/10.1038/s41467-021-27347-9
2. P. Z. Sun, et al. Limits on gas impermeability of graphene. Nature, 2020, 579, 229.
https://doi.org/10.1038/s41586-020-2070-x
上一篇: 国科大提出稳定高电压钴酸锂正极材料新策略
版权与免责声明:
(1) 凡本网注明"来源:颗粒在线"的所有作品,版权均属于颗粒在线,未经本网授权不得转载、摘编或利用其它方式使用上述作品。已获本网授权的作品,应在授权范围内使用,并注明"来源:颗粒在线"。违反上述声明者,本网将追究相关法律责任。
(2)本网凡注明"来源:xxx(非颗粒在线)"的作品,均转载自其它媒体,转载目的在于传递更多信息,并不代表本网赞同其观点和对其真实性负责,且不承担此类作品侵权行为的直接责任及连带责任。其他媒体、网站或个人从本网下载使用,必须保留本网注明的"稿件来源",并自负版权等法律责任。
(3)如涉及作品内容、版权等问题,请在作品发表之日起一周内与本网联系,否则视为放弃相关权利。