3779
2020-11-13
目前,大气活性氮在影响大气环境变化、生态系统演化和公共健康安全等方面扮演日趋重要的角色。“生物质燃烧”是大气活性氮的重要来源之一,涵盖两方面特征:(1)生物质种类,包括林业采伐及加工剩余物/废弃物、农业秸秆、工业及城市有机固废;(2)燃烧方式,主要为无边界露天焚烧、有边界烧炕炊事/取暖、有边界工业炉窑热电供应。科学研究和工程实践均论证:基于生物质燃烧的大气活性氮基本来源于生物质本身所含氮组分的转化。由于生长生物固氮和加工利用外源添加氮作用,生物质氮组分含量一般排序:林业剩余/废弃物(0.1-0.5 wt.%) < 农业秸秆(0.3-2.0 wt.%)< 工业及城市有机固废(1.5-9.0 wt.%)。生物质是一类可再生资源,经有边界燃烧方式实现热能利用,是基于目前技术发展水平的最直接有效资源化方式。综上,研究生物质(特别是富氮含量种类)有边界燃烧过程燃料氮到大气活性氮的转化和调控,对指导生物质能清洁利用和大气活性氮区域循环演化均具有重要现实意义。
燃烧过程大气活性氮的形成和演化与两方面因素相关:1、脱挥发分阶段燃料氮的分布;2、氧化阶段挥发分氮和半焦氮的转化。可概括为发生在大气活性氮组分(NH3、HCN、HNCO及NOx)、自由基及半焦氮间的均相和非均相反应。基于燃烧过程大气活性氮组分调控的可行理念大致有三种:1、合适的热解或气化条件,使燃料氮直接转化为N2;2、使NOx前驱物在燃烧前转化为分子态氮;3、通过合适燃烧条件,利用NOx前驱物还原NOx,生成N2。传统调控手段如分级燃烧、烟气再循环、解耦燃烧、SCR及SNCR等均是基于大气活性氮组分生成后的处置方式。综合考虑生物质燃料属性、燃烧供热规模、末端处理投入等现实因素,对生物质而言,特别是富氮生物质,研究基于燃烧前降氮的大气活性氮控排机制和手段更为直接和必要。
基于上述背景,近两年来,中国科学院广州地球化学研究所研究员王新明课题组聚焦氮组分含量较高的农业和工业生物质,关注与热能利用密切相关的热化学过程,对过程氮组分的演化和调控进行了一系列研究,在源端(燃烧前)控氮思路方面取得了如下认识:1、定位于热化学的基础——热解过程,解析了典型农业和工业生物质源于燃料氮转化的大气活性氮组分形成机理,明确了各组分的来源路径(如图1)。NH3和HCN既是热解过程的主要大气活性氮组分,也是后续燃烧NOx的关键前体物,过程总产率水平在20-45 wt.%范围,取决于生物质燃料氮类型(以胺、蛋白质有机氮和无机氮为体系)的热稳定性,也与热解不同阶段的过程参数条件相关。2、基于形成机理,探讨了干湿碳化预处理-热解联用手段对燃料氮到大气活性氮组分转化的调控能力。发现相比直接热解,经干湿碳化后再热解,通过碳化预处理对燃料氮官能团的去除和稳定机制,可调控热解进程中两阶段大气活性氮组分形成路径的强度,从而有效降低燃料氮到大气活性氮的转化(如图2)。进而提出分级热转化制备低氮高值燃料(燃气和炭)的技术路线(如图3)。3、基于形成机理,针对特定种类的富氮工业生物质(废弃人造板),通过综述热解过程各相氮组分特征及性能规律,提出燃料氮向固液相氮富集,进而调控其向气相氮转化的研究思路(如图4)。通过进一步的热转化研究发现,废弃人造板组分由于热稳定性差异,使三相产物之于选择性热解呈现特征化规律,体现在三相氮组分上。气相氮为大气活性氮组分,通过干法碳化预处理可有效去除;固相氮组分(杂环氮)使固相产物呈现价值化潜力,表现出良好的吸附和电化学性能。依据多类碳化方式相关试验结果,提出了一种由废弃人造板制备富氮活性炭材料的方法(如图5),通过燃料氮组分价值化利用,构成实现生物质热化学过程氮组分源端调控的新方式。该方法制备的富氮活性炭的氮保留率可高达90%以上,比表面积可至1500-1800 m2/g,对苯酚的吸附能力为500-700 mg/g,制成电极后其比电容为250-280 F/g。
上述研究工作得到了国家自然科学基金重点项目、青年基金、中国博士后基金、等项目的联合支持。相关研究结果发表在Chemical Engineering Journal、Journal of Cleaner Production、Fuel、Fuel Processing Technology上。
图1 典型农工业生物质热解过程源于燃料氮的大气活性氮组分形成路径图
图2 干湿碳化-热解过程大气活性氮组分产率特征对比

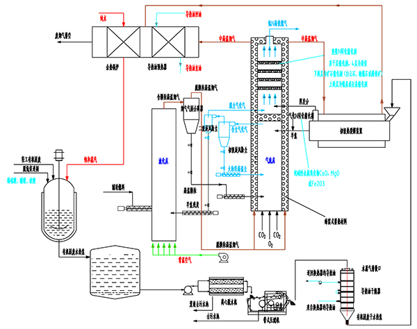
图3 轻工有机固废分级热化学转化系统
图4 废弃人造板基于燃料氮价值化利用的可行思路
图5 基于废弃人造板的富氮活性炭材料的制备方法
版权与免责声明:
(1) 凡本网注明"来源:颗粒在线"的所有作品,版权均属于颗粒在线,未经本网授权不得转载、摘编或利用其它方式使用上述作品。已获本网授权的作品,应在授权范围内使用,并注明"来源:颗粒在线"。违反上述声明者,本网将追究相关法律责任。
(2)本网凡注明"来源:xxx(非颗粒在线)"的作品,均转载自其它媒体,转载目的在于传递更多信息,并不代表本网赞同其观点和对其真实性负责,且不承担此类作品侵权行为的直接责任及连带责任。其他媒体、网站或个人从本网下载使用,必须保留本网注明的"稿件来源",并自负版权等法律责任。
(3)如涉及作品内容、版权等问题,请在作品发表之日起一周内与本网联系,否则视为放弃相关权利。